Flachverbinder leicht
Leichte Flachverbinder – universelle Lösung für Standardanschlüsse
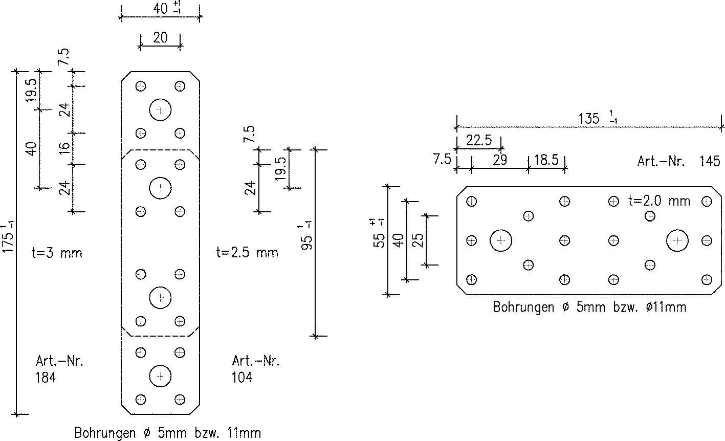
GH leichte Flachverbinder sind vielseitig einsetzbare Verbindungsmittel für einfache bis mittlere Belastungen im Holzbau. Sie eignen sich ideal für Holz-Holz- und Holz-Beton-Verbindungen, bei denen Schub- und Querkräfte zuverlässig übertragen werden müssen. Dank der vorgefertigten Lochbilder lassen sich leichte Flachverbinder schnell montieren und bieten eine wirtschaftliche Lösung für zahlreiche Bauprojekte.
Vorteile der leichten Flachverbinder
- Kostengünstige und flexible Verbindungslösung
- Einfache Montage durch vorgebohrte Lochbilder
- Geeignet für Holzrahmenbau, Innenausbau und Renovierungen
- Korrosionsgeschützte Oberflächen
- Geprüfte Qualität nach Eurocode 5
Leichte Flachverbinder von GH sind die richtige Wahl für alltägliche Anschlüsse im Holzbau, bei denen eine sichere und zugleich wirtschaftliche Verbindung benötigt wird.
| Breite mm: | 40 | 
| Stärke mm: | 2,5 | 
| Länge mm: | 95 | 
| ETA: | EN14545 | 
| Anwendungen: | Holz/Holz+Holz/Beton | 
| Nutzungsklasse: | NKL 2 | 
| Material: | S 250 GD +Z 275 | 
| Gruppe: | Flachverbinder | 
| Nebenträger2 Ø 11: | 2 | 
| Nebenträger Ø 5: | 8 | 
| Netto Gewicht Kg: | 6,5 | 
Alle Zulassungen oder DoP als .zip finden Sie neben den Katalogen zum Download in unserem Downloadbereich.
Kataloge, Flyer und Prospekte auch als Blätterkatalog mit direkter Shop-Funktion (Artikel verknüpft mit Shop) finden Sie in unserem: Medienpool.
Barcode Scanner
Diese Webseite verwendet Cookies
Wir verwenden Cookies, um Inhalte und Anzeigen zu personalisieren, Funktionen für soziale Medien anbieten zu können und die Zugriffe auf unsere Website zu analysieren. Außerdem geben wir Informationen zu Ihrer Verwendung unserer Website an unsere Partner für soziale Medien, Werbung und Analysen weiter. Unsere Partner führen diese Informationen möglicherweise mit weiteren Daten zusammen, die Sie ihnen bereitgestellt haben oder die sie im Rahmen Ihrer Nutzung der Dienste gesammelt haben.
Notwendige Cookies helfen dabei, eine Webseite nutzbar zu machen, indem sie Grundfunktionen wie Seitennavigation und Zugriff auf sichere Bereiche der Webseite ermöglichen. Die Webseite kann ohne diese Cookies nicht richtig funktionieren.
| Name | Anbieter | Zweck | Ablauf | 
|---|---|---|---|
| gh_anonymous | www.holzverbinder.de | Das Cookie wird zum Wiedererkennen des Benutzers im Shop benötigt. | Permanent | 
| gh_consent | www.holzverbinder.de | Das Cookie speichert die vom Benutzer ausgewählte Cookie-Einstellung. | Permanent | 
| gh_identity | www.holzverbinder.de | Das Cookie identifiziert den angemeldeten Benutzer. Die Informationen werden nicht mit Drittanbietern geteilt. | Session | 
| gh_session | www.holzverbinder.de | Das Cookie speichert Daten zur aktuellen Sitzung. Die Informationen werden nicht mit Drittanbietern geteilt. | Session | 
| _RequestVerificationToken | www.holzverbinder.de | Das Anti-Forgery Token wir durch ASP.NET MVC generiert. Es verhindert die nicht erlaubte Übermittlung von anderen Seiten, auch Cross-Site Request Forgery bekannt. Das Cookie enthält keine Informationen über den Benutzer und wird beim schließen des Browsers gelöscht. | Session | 
| _gat | Wird von Google Analytics verwendet, um Anonyme statistische Daten zu erheben. | 1 Tag | |
| ssupp.vid | Smartsupp.com | Smartlook erlaubt es, zufällig ausgewählte einzelne Besuche mit anonymisierter IP-Adresse aufzuzeichnen. Das Tracking-Tool erlaubt es unter Verwendung von Cookies auszuwerten, auf welche Art Sie die Webseite nutzen (z.B. welche Inhalte angeklickt werden). Dazu wird ein Nutzungsprofil visuell dargestellt. Es werden lediglich Nutzungsprofile bei Verwendung von Pseudonymen erstellt und dient ausschließlich der Supportunterstützung im Holzverbinder Portal. | 6 Monate | 
| ssupp.visits | Smartsupp.com | Smartlook erlaubt es, zufällig ausgewählte einzelne Besuche mit anonymisierter IP-Adresse aufzuzeichnen. Das Tracking-Tool erlaubt es unter Verwendung von Cookies auszuwerten, auf welche Art Sie die Webseite nutzen (z.B. welche Inhalte angeklickt werden). Dazu wird ein Nutzungsprofil visuell dargestellt. Es werden lediglich Nutzungsprofile bei Verwendung von Pseudonymen erstellt und dient ausschließlich der Supportunterstützung im Holzverbinder Portal. | 6 Monate | 
| SL_C_23361dd035530_KEY | Smartsupp.com | 2 Jahre | |
| SL_C_23361dd035530_SID | Smartsupp.com | 2 Jahre | |
| SL_C_23361dd035530_VID | Smartsupp.com | 2 Jahre | 
Personalisierungs-Cookies ermöglichen einer Webseite sich an Informationen zu erinnern, die die Art beeinflussen, wie sich eine Webseite verhält oder aussieht, wie z. B. Ihre bevorzugte Sprache oder die Region in der Sie sich befinden.
Wir verwenden keine Cookies für diesen Zweck
Statistik-Cookies helfen Webseiten-Besitzern zu verstehen, wie Besucher mit Webseiten interagieren, indem Informationen anonym gesammelt und gemeldet werden.
| Name | Anbieter | Zweck | Ablauf | 
|---|---|---|---|
| _ga | Google LL.C | Wir nutzen das Angebot von Google Ads, einem Conversion-Tool von Google Ireland Limited, Gordon House, Barrow Street, Dublin 4, Irland („Google“), um mit Hilfe von Werbemitteln (sogenannten Google Ads) auf externen Webseiten auf unsere attraktiven Angebote aufmerksam zu machen. Wir können in Relation zu den Daten der Werbekampagnen ermitteln, wie erfolgreich die einzelnen Werbemaßnahmen sind. Wir verfolgen damit das Interesse, Ihnen Werbung anzuzeigen, die für Sie von Interesse ist, unsere Website für Sie interessanter zu gestalten und eine faire Berechnung von Werbe-Kosten zu erreichen. | 2 Jahre | 
| _gid | Registriert eine eindeutige ID, die verwendet wird, um statistische Daten dazu, wie der Besucher die Website nutzten, zu generieren. | 1 Tag | |
| IDE | Verwendet von Google DoubleClick, um die Handlungen des Benutzers auf der Webseite nach der Anzeige oder dem Klicken auf eine der Anzeigen des Anbieters zu registrieren und zu melden, mit dem Zweck der Messung der Wirksamkeit einer Werbung und der Anzeige zielgerichteter Werbung für den Benutzer. | 1 Jahr | 
Marketing-Cookies werden verwendet, um Besuchern auf Webseiten zu folgen. Die Absicht ist, Anzeigen zu zeigen, die relevant und ansprechend für den einzelnen Benutzer sind und daher wertvoller für Publisher und werbetreibende Drittparteien sind.
Wir verwenden keine Cookies für diesen Zweck
Über Cookies
